Index of /ciasteczkowypotwor/Uni-t

[ICO]NameLast modifiedSizeDescription

[PARENTDIR]Parent Directory  -  
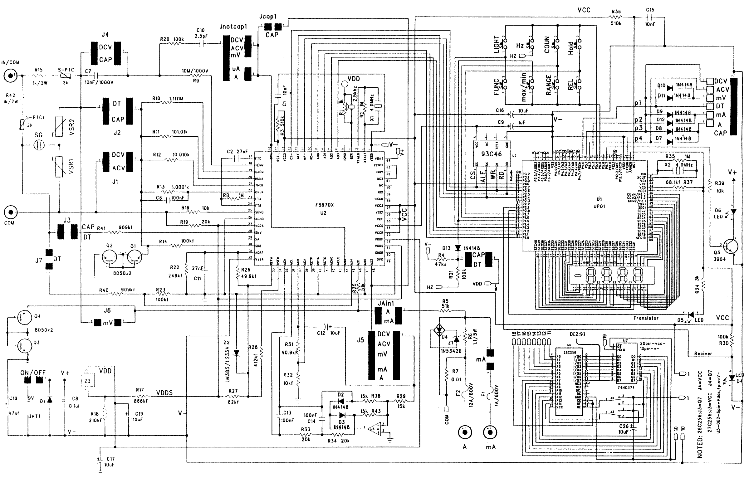
[IMG]2.gif2012-02-04 19:42 131K 
[   ]Thumbs.db2012-02-04 19:38 17K 
[IMG]uni-11e_analog-multimeter.djvu2012-02-04 19:38 160K 
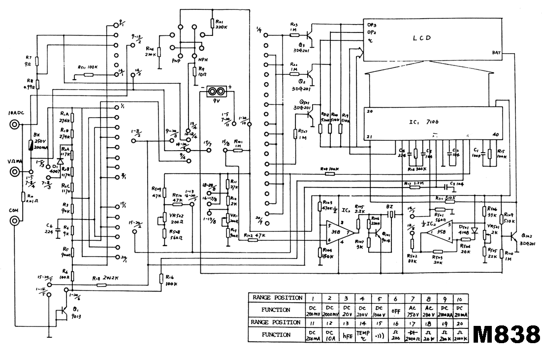
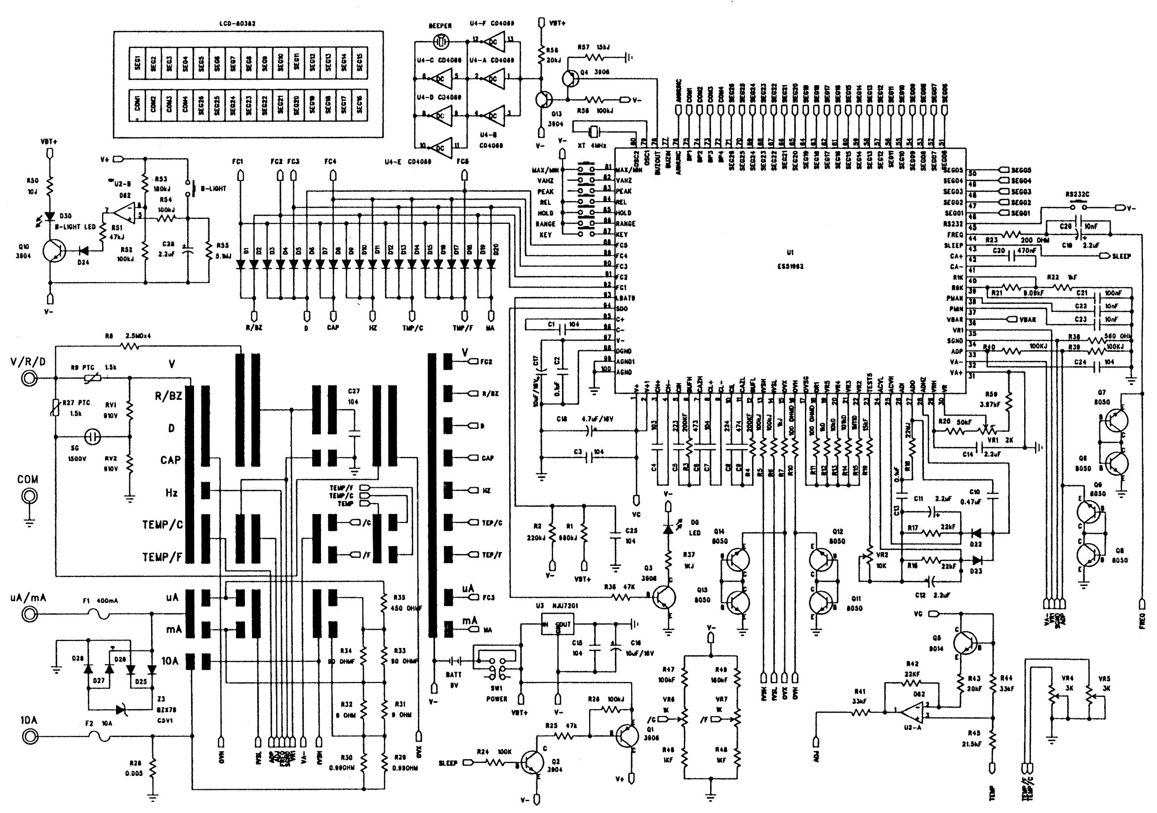
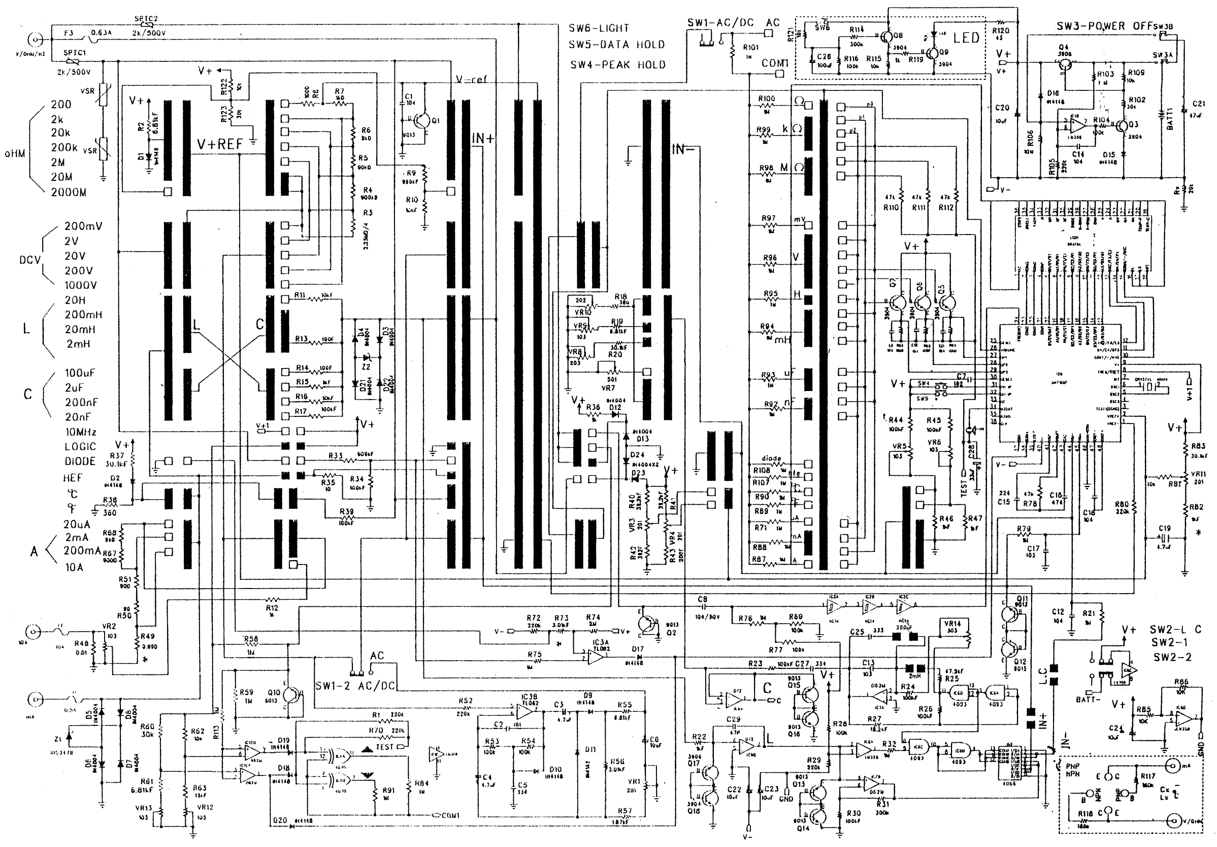
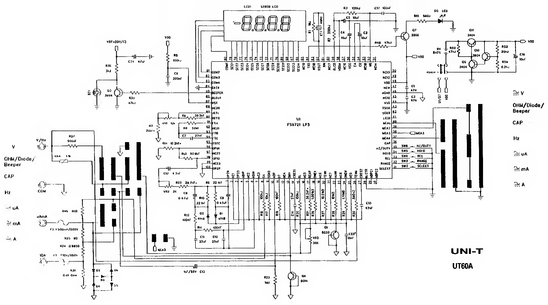
[IMG]uni-t_ut-60a.jpeg2012-02-04 19:38 407K 
[   ]uni-t_ut61e.pdf2012-02-04 19:38 1.1M 
[   ]uni-trend_ut70d.pdf2012-02-04 19:38 169K 
[IMG]ut70a.gif2012-02-04 19:36 236K 
[IMG]ut70b.gif2012-02-04 19:40 186K 
[IMG]ut70c.gif2012-02-04 19:40 199K 

Apache/2.4.52 (Ubuntu) Server at bee.mif.pg.gda.pl Port 80