Index of /ciasteczkowypotwor/#pro_audio/Thomann

[ICO]NameLast modifiedSizeDescription

[PARENTDIR]Parent Directory  -  
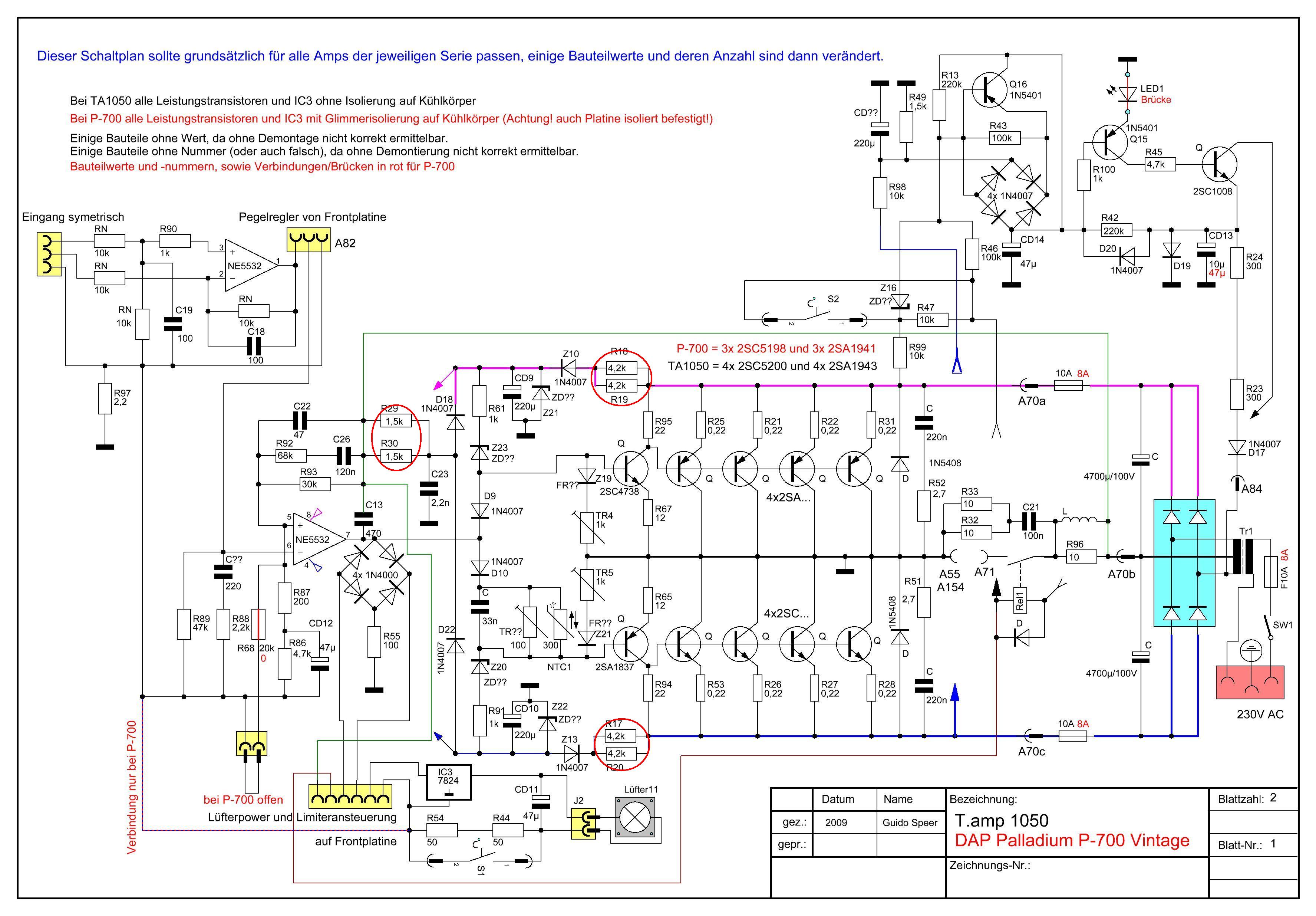
[IMG]thomann_t.amp_1050_sch.jpg2017-03-01 14:12 822K 
[   ]thomann_t.amp_e-800_sch.pdf2017-03-01 14:11 460K 

Apache/2.4.52 (Ubuntu) Server at bee.mif.pg.gda.pl Port 80