| Name | Last modified | Size | Description | |
|---|---|---|---|---|
| Parent Directory | - | |||
| DSX_SERVICE_MANUAL.pdf | 2013-08-02 19:08 | 15M | ||
| MATRIX-12_SERVICE_MANUAL.pdf | 2013-08-02 19:07 | 6.2M | ||
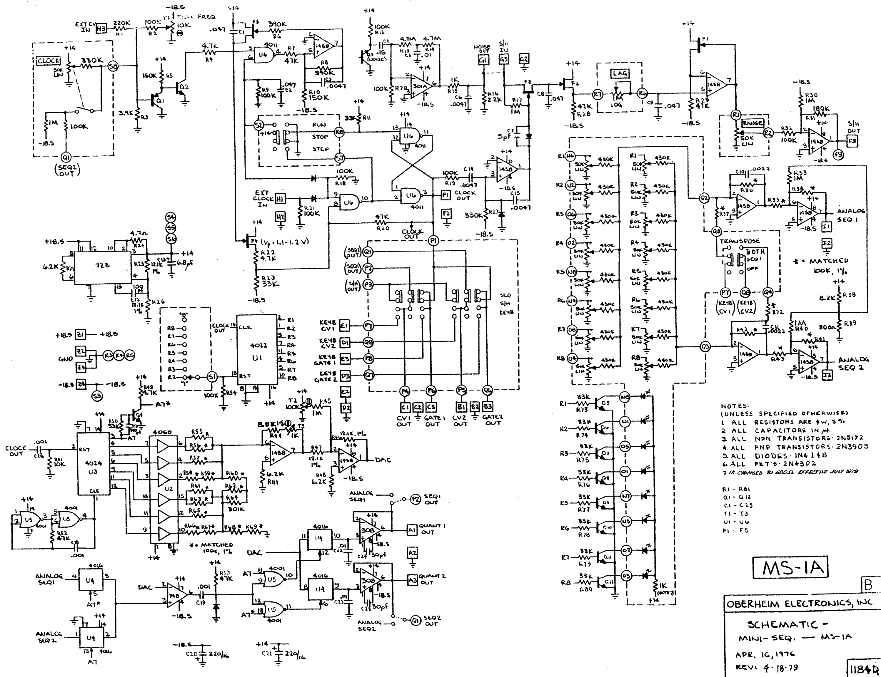
| MS-1A_SCHEMATICS.gif | 2013-08-02 19:06 | 231K | ||
| OB-8_SERVICE_MANUAL.pdf | 2013-08-02 19:07 | 13M | ||
| Oberheim Matrix 1000 Owners Manual.pdf | 2010-12-13 00:26 | 2.3M | ||
| Oberheim Matrix 1000 Schematics.pdf | 2010-12-13 00:27 | 1.9M | ||
| Oberheim OB-X Owners Manual.pdf | 2010-12-13 00:28 | 1.5M | ||
| Oberheim OB-X Service Manual.pdf | 2010-12-13 00:29 | 2.8M | ||
| Oberheim Prommer Schematic.pdf | 2010-12-13 00:28 | 1.7M | ||
| Oberheim Prommer Service Manual.pdf | 2010-12-13 00:28 | 62K | ||
| Oberheim Xpander Service Manual.pdf | 2010-12-13 00:50 | 9.5M | ||
| PROMMER_SERVICE_MANUAL.pdf | 2013-08-02 19:06 | 62K | ||
| SEM-1A_SCHEMATICS.pdf | 2013-08-02 19:06 | 641K | ||
| XPANDER_SERVICE_MANUAL.pdf | 2013-08-02 19:08 | 23M | ||