| Name | Last modified | Size | Description | |
|---|---|---|---|---|
| Parent Directory | - | |||
| ntp_179-140_compressor_sm.pdf | 2017-06-30 18:43 | 1.8M | ||
| ntp_179-160_compressor_sm.pdf | 2017-06-30 18:43 | 1.1M | ||
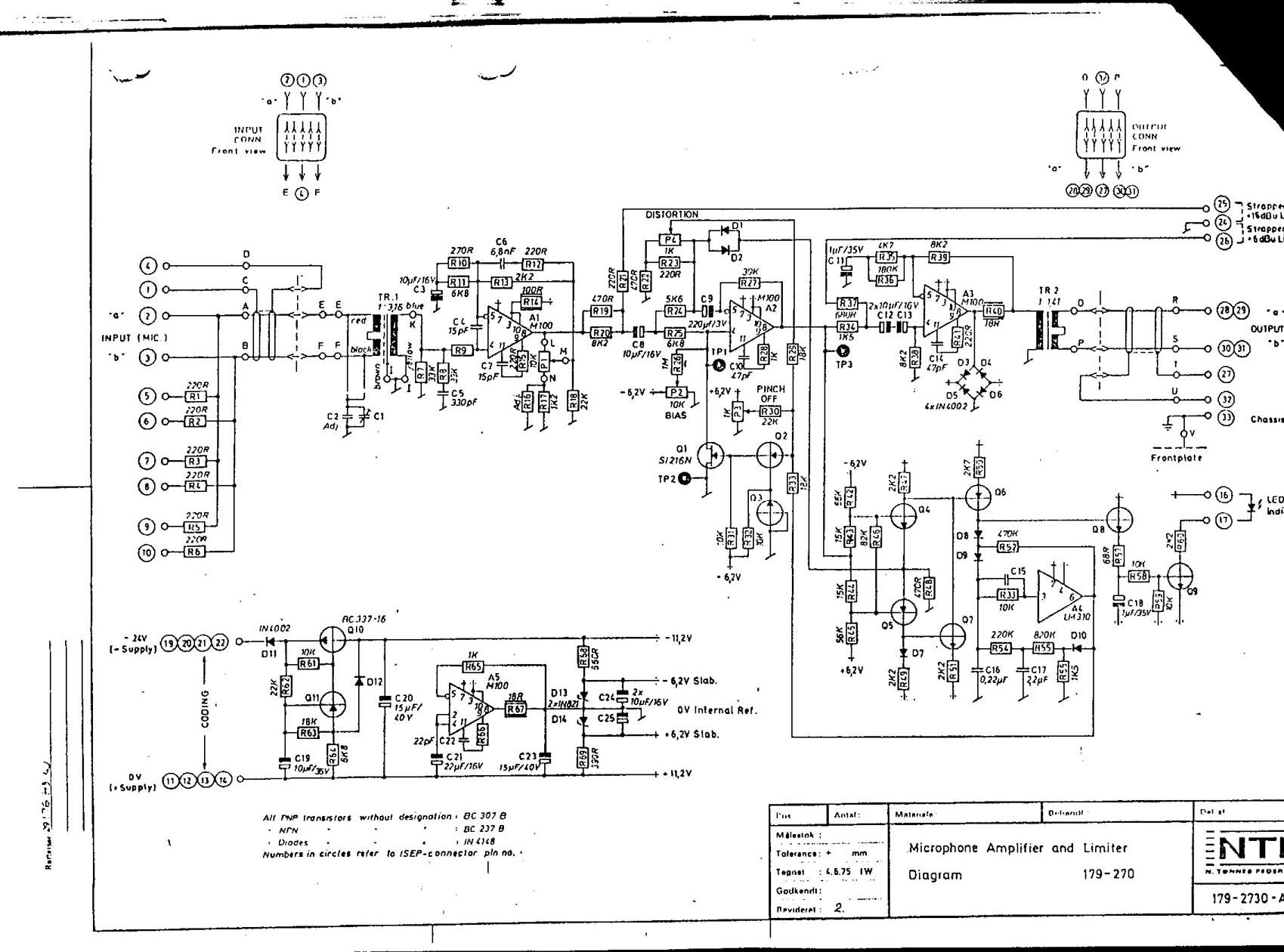
| ntp_179-270_sch.jpg | 2017-06-30 18:43 | 220K | ||
| ntp_179-300_limiter-card_sm.pdf | 2017-06-30 18:42 | 707K | ||